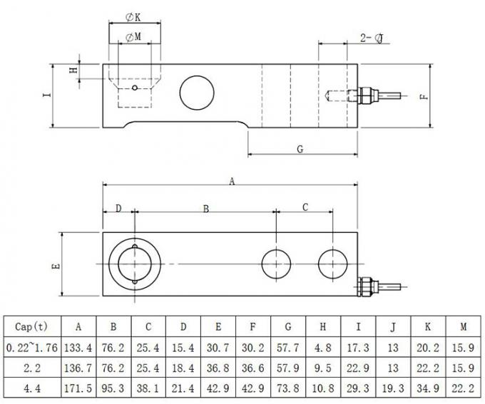
| パラメータ | 価値観 |
| 容量 | 0.22/0.55/1.1/1.76/2.2/4.4t |
| 定数出力 | 1.94±1%mV/V |
| ゼロバランス | ±2%mV/V |
| クレイプ ((30分) | ≤0.0166%F.S. |
| 非線形性 | ≤0.017% F.S. |
| ヒステレシス | ≤0.017% F.S. |
| 繰り返し可能性 | ≤0.017%F.S. |
| 入力抵抗 | 390±3Ω |
| 出力R存在 | 350±5Ω |
|
出力に対するテンプの影響
|
0.014%F.S./10 °C
|
|
ゼロの温度効果
|
0.012%F.S./10 °C |
| 断熱抵抗 | ≥5000MΩ/100V (DC) |
| 推奨される刺激 | 5~12V |
| 最大興奮 | 15V |
| 補償された温度範囲 | -10~60°C |
| 動作温度範囲 | -20~80°C |
|
安全な負荷制限 |
150% F.S.
|
|
負荷 を 破る |
200% F.S.
|
|
ケーブルの大きさ
|
¥5.4×1.5m
|
|
材料
|
ステンレス鋼 |





会社情報
サービス基準:我々は提供することにコミットしていますe高品質で迅速なサービス すべての顧客に
一番早い答えは 連絡してください.私達疑問がある場合は.返信が来る プロフェッショナルで経験豊富なトレーディングマネージャーから 24日以内に 何時間ももし取引マネージャーはオフラインですわかったメッセージを送信し,商品を教えてください 必要なモデル メールアドレス.
品質保証優れた品質は先進的な製造によって保証されます そしてすべての製品は 発送前に 専門的なQCチームによって 厳格なテストを経ています
ドアツードアサービス:通常はDHL,EMSで送ります. そしてTNTなど配達後,追跡番号は送信されます. 通常は3〜5日かかります. 届く私たちの側からあなたの側からどれあなたのビジネスに非常に便利です
OEM入手可能